BMW5er Reparaturanleitung :: Vergasermotoren

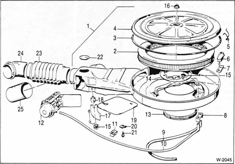
Achtung: der luftfilter des bmw e12 mit stromberg-vergaser
sieht ähnlich aus wie bei den einspritzmotoren. Außerdem ist
die ansaugluftvorwärmung erst seit 9/80 mit der abgebildeten
unterdruckregelung ausgestattet, siehe nächstes kapitel.
- Luttfilter
- luttfiltereinsatz
- dichtung
- deckel
- bügel
- unterdruckregler
- dichtung
- feder
- unterdruckschlauch
- unterdruckschlauch
- kabelklemme
- regeleinheit vorwarmung
- dichtung
- klemmring
- sechskantmutter
- hutmutter
- stütze
- gummilager
- abdeckung
- blechmutter
- blechschraube
- kontrollfenster
- faltenbalg
- ansaugstutzen
- luftschlauch
Siehe auch:
Gewichte
...
Einbau
Seilzug am luftklappenhebel einhängen und zughülle
-1 - so am halter ansetzen, daß sie bündig am anschlag
- 2 - ansteht. In dieser stellung halteklammer aufdrücken.
Seilzug in den schieberegler einhängen und regler nach
...