
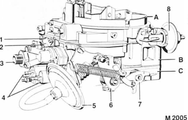
Der solex-vergaser ist ein doppelregistervergaser, der aus 4 miteinander verschraubten hauptteilen besteht: vergaserdekkel, vergasergehäuse, drosselklappenteil und starteinrichtung.
Die "4- in der vergaserbezeichnung deutet auf die 4 mischkammern des vergasers hin, wogegen "a" und "1" auf das konstruktionsprinzip und die ausführung hinweisen. Da es sich um eine doppelvergaseranlage handelt, sind praktisch 2 vergaser in einem gehäuse untergebracht, wobei jeder der beiden vergaserteile 2 ansaugrohre (stufe i und stufe ii) besitzt. Während der motor das kraftstoff-luftgemisch im leerlauf und bis zu mittleren drehzahlen nur über die beiden 1. Stufen des vergasers erhält, werden bei vollastbetrieb und ausgeschalteter startautomatik die beiden 2. Stufen zugeschaltet (zweistufenvergaser = registervergaser). Der vergaserist mit 4 muttern und 7 +- 1 nm am saugrohr festgeschraubt.


8 - Dämpfer ii.Stufe D - startautomatik
Achtung: die mit - p f e i l e n - gekennzeichneten justierschrauben sind werkseitig eingestellt. Sie dürfen nicht verstellt werden, da eine neueinstellung selbst in der werkstatt nicht möglich ist.
Schwimmernadelventil prüfen/ersetzen
Solex 38 pdsi, 32/32 didta, 2b4, stromberg 175 cdetvergaser
Ein undichtes oder hängendes schwimmernadelventil bewirkt
hohen benzinverbrauch oder vergaserausfall, da zu viel kraftstoff
in den vergaser gefördert wird. Der schwimmer im vergaser
hat die aufgab ...
Ansaugluftvorwärmung prüfen
Nur bei vergaser oder k-jetronic
Die klappe für die automatische ansaugluft-
vorwärmung befinde! Sich im ansaugrohr
vom luftfilter und wird durch ein
dehnstoffelement - 2 - geöffnet und
geschlossen, siehe auch.
Anläßlich der inspekt ...