
Der vergaser 175 cdet ist ein flachstrom-gleichdruckvergaser mit einer mischkammerweite von 1,75 zoll (45 mm). Im bmw sind zwei dieser vergaser zu einer doppelvergaseranlage zusammengefaßt bis auf das zentrale zusatzgemischsystem, das an den rechten vergaser angebaut ist, sind beide vergaser gleich. Sie arbeiten nach dem prinzip des konstanten unterdrucks in der mischkammer: in allen drehzahl- und lastbereichen des motors besteht eine nahezu konstante druckdifferenz im lufttrichter, weil dessen querschnitt je nach der durchfließenden luftmenge verändert wird. Durch den gleichbleibenden unterdruck erfolgt die zumischung des kraftstoffs zur angesaugten luft in einem optimalen verhältnis. Die wichtigsten teile des vergasers und ihre funktion:
Damit der motor gut warmläuft, ist wie bei den fallstrom-vergasern ein elektrisch- und kühlmittelbeheizter starterdeckel vorhanden.
Der die start- und warmlaufanreicherung steuert.

Die startautomatik - 5 9 - drückt beim kaltstart nach einmaligem durchtreten des gaspedals den startschieber - 6 4 - nach unten. Der startschieber wird in dieser stellung von der bimetallfeder im startautomatikgehäuse gehalten und bewirkt durch freiwerdende bohrungen, daß kraftstoff in die mischkammer gelangen kann. Zusätzlich wird ein kugelventil - 7 0 - geöffnet, das kraftstoff an eine bohrung hinter der drosselklappe gelangen läßt. Sobald der motor angesprungen ist, schließt das kugelventil den benzinzufluß. Gesteuert wird das kugelventil über eine pulldowndose, die bei laufendem motor (=anliegender unterdruck) über die membranstange - 6 3 - das ventil schließt. Bei laufendem motor läßt die spannkraft der wärmer werdenden bimetallfeder langsam nach, der unter federdruck stehende startschieber wandert nach oben, wodurch die benzinbohrungen langsam geschlossen werden.
Das startabmagerungsventil - 1 6 - verschließt einen teil der kraftstoffzufuhr zum startsystem, wenn viel gas gegeben wird, damit das gemisch nicht überfettet.

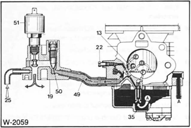
Der motorleerlauf wird durch ein zusatzgemischsystem verbessert, das dem in fahrtrichtung hinteren vergaser zugeordnet ist. Zum kraftstoff -a - ausderzusatzkraftstoffdüse - 3 5 - gelangt zusatzluft - f - aus der zusatzluftdüse. Die mischung fließt an der zusatzkraftstoff-regulierschraube - 2 2 - vorbei weiter in die zusatzgemischleitung - 4 9 - , vom vergaser gelangt noch ausgleichsluft - g - hinzu. Die zusatzgemisch- regulierschraube - 5 0 - bestimmt die ausströmende zusatzgemischmenge.
Das leerlauf-abschaltventil - 5 1 - öffnet bei einschalten der zündung den zugang zum saugrohr des motors. Auch die kurbelgehäuseentlüftung - 2 5 - ist an das leerlaufsystem angeschlossen.
Übergang und vollast erfordern keine speziellen einrichtungen am stromberg-vergaser.
Komplettansicht der vergaser

1 - Vergasergehäuse. 2 - Oberteil. 3 - Verschlußdeckel, 5 - schwimmerkammer, 7 - starterdeckel, 10 - schwimmerkammerbelüftung.
13 - Kolbenumluftschraube. 14 - Zwischengestänge, 17 - drosselklappenhebel, 18 - drosselklappen- anschlagschraube, 19 - verteilerstück.
22 - Zusatzgemisch-regulierschraube, 49 - zusatzgemischleitung, 50 - zusatzgemisch-mengenregulierschraube.
51 - Leerlauf-abschaltventil. 52 - Saugrohr
Blinker-a/vischerschalter aus- und einbauen
Ausbau
Batterie-massekabel ( - ) abklemmen.
Untere abdeckung für armaturentafel ausbauen.
Lenkrad ausbauen.
3 Schrauben für mantelrohrverkleidung herausdrehen. Verkleidung
abnehmen.
Massekabel - 4 - abschrauben. Schrau ...
Motor m10 (4-zylinder-motor)
Ausbau
Massekabel von der batterie abklemmen.
Kühlmittel ablassen und auffangen.
Schellen - 1 - , - 2 - und - 4 - ganz öffnen und zurückschieben.
Kühlmittelschläuche abziehen und kühlmittelregler - 3 -
herausnehmen.
P ...