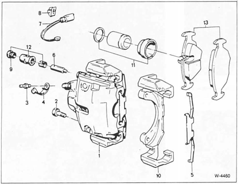
Vorderer bremssattel

Hinweis: vorderer und hinterer scheibenbremssattel sind ähnlich aulgebaut, der wechsel der bremsbeläge erfolgt in entsprechender weise. Bestehen unterschiede, wird darauf hingewiesen.
An den hinterrädern besitzen die dieselmodelle und 520i bis 4/86. Sowie der bmw 518 keine scheibenbremsen, sondern hydraulisch betätigte trommelbremsen.
Startautomatik aus-und einbauen
Solex 32/32 didta-vergaser
a - thermostartventil, b - leerlaufabschaltventil, c - heizwendel-
starterdeckel. 100 - Temperaturschalter wasser, 101
- lötstelle, 102 - umschaltrelais, 103 - temperaturschalter
luft
die startautomatik wird elektrisch- und wasse ...
Die kraftstoffilter-vorwärmanlage
Damit der kraftstoff bei niedrigen außentemperaturen fließfähig
bleibt, wird er vorgewärmt. Das geschieht durch eine elektrische
kraftstoffilterheizung. Dadurch wird das versulzen des
dieselkraftstoffes auch bei extremem frost verhindert. Die he ...