Legende zu schaltplan 3

Legende zu schaltplan 2

Legende zu schaltplan 3


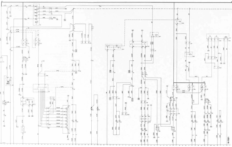
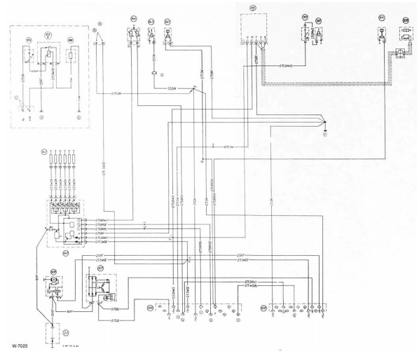
Schaltplan 1:
Allgemeine fahrzeugelektrik mit check-control nb modelljnhr 85. Teil 1 bmw 5251. 5281. M535i

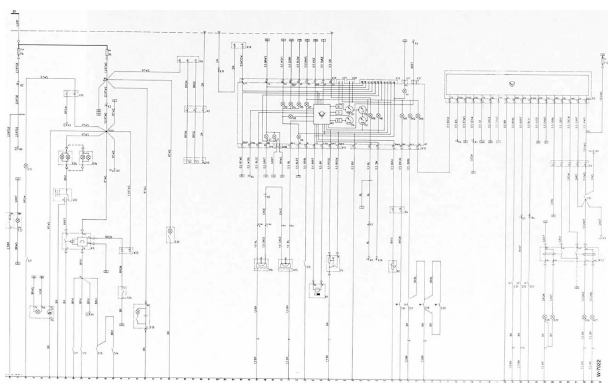
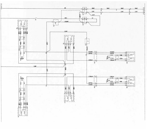
Schaltplan 2:
Allgemeine fahrzeugelektrik mit check-control ab modolljahr 85. Teil 2 bmw 525.. 528". M535-

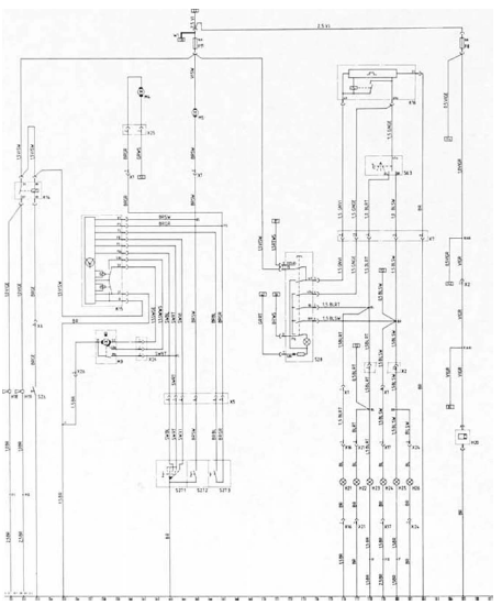
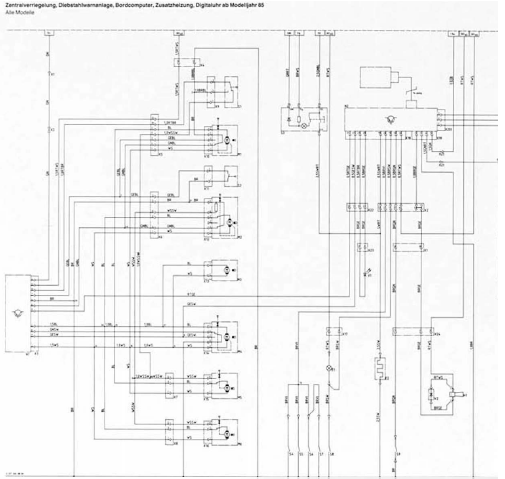
Schaltplan 3:
Allgemeine fahrzeugelektrik mit check-control ab modell|ahr 85, teil 3 bmw 5251.5281. M535i


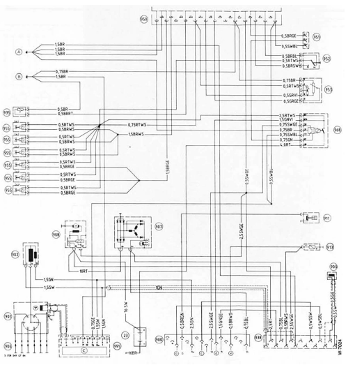
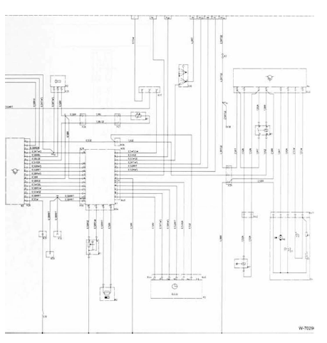
Schaltplan 4:
Motorolektrik. Le-jetronlk ab modclljahr 85 bmw 5201

23 Batterie
900 motorstecker
A service-intervall
b öldruck
c airbag
d elektrische kraftstoffpumpe
e fernthermometer
901 zündverteiler
902 zündspule
903 positionsgeber
906 zündkerzen
907 drehstromgenerator
908 anlasser
911 oidruckschalter
913 femthermometer-geber
935 temperaturfuhler wasser
938 diagnose-anschluß
950 emspntzsteuergerat (handschuhfach)
951 anschluß fahrzeugkabelbaum (bereich handschuhfach)
952 drosselklappenschatter
953 luftmengenmesser
955 einspntzventil
968 benzinpumpenrelais (stromverleiler)
991 steuergerat für transistorzundung-s (am linken radhaus)
A masse endstufe
B masse elektronik
Schaltplan 5:
Motoroloktrlk. Turbodiosol ab modo ii jahr 84 bmw 524 td

23 Batlene
900 molorstecker
a drohzahlmesser
b fernthermometer
c lampe 2
d lampe 1
e öl
i service-intervall
907 drehstromgenerator
908 anlasser
909 temperaturschalter 17 c
911 oldruckschalter
916b td-impulsformer
928 drehzahlgeber
938 diagnose-anschluß
a fernthermometer
b service-intervall
940 vorglühanlage
a negativ temperatur koeffizient
b lampe i
c lampe 2
942 stabglühkerze
943 absteller
a 1 pol. Steckverbindung wasserdicht
944 fernthermometer-geber
967 saugrohr-druckschalter
973a kraftstoflrelais
976 temperaturschalter 5,5" c
980 kraftstohheizung
981 kaltstartbeschleunigungsventil
A steckverbindung sa kraftstoffheizung
B siehe anschluß _z"
C anschluß .2"
D battene +
E battene -
F masse
Schaltplan 6:
Elektrische fensterhebor ab modelljahr 85 alle modelle

K1 relais i (links von lenksäule)
K2 relais ii (links von lenksäule/nicht bei us)
M1 fensterhebernx>tor hinten links
M2 fensterhebermotor vorne links
M3 fensterhebermotor hinten rechts
M4 fensterhebermotor vorne rechts
51 überstromschalter (unterverkletdung rechts von lenksäule)
52 fensterheberschalter vorne links
53 kindersicherung
54 fensterheberschalter hinten links
55 fensterheberschalter hinten links
56 fensterheberschalter hinten rechts
57 fensterheberschaltor hinten rechts
58 fensterheberschalter vorne rechts
59 türkontaktschalter (nicht bei us)
X1 steckverbindung teilstück hinten-fahrertür 6pol.
(Schließblech a-saule) X2 steckverbindung verbindungsleitung fensterheber- leitung fahrertür 13pol.
X3 steckverbindung teilstück hinten-teilstück mitte 27pol.
(Schließblech a-säule) X4 steckverbindung verbindungsleitung fensterheber-sa-stecker (links von lenksäule) X5 steckverbindung verbindungsleitung fensterheber-leitung tür hinten links 7pol.
X6 steckverbindung verbindungsleitung fensterheber-leitung tür hinten rechts 7pol X7 steckverbindung verbindungsleitung fensterheber-leitung für beifahrertür 13pol.
X8 steckverbindung leitung tür hinten links-fensterhebermoto* hinten links 2pol.
X9 steckverbindung leitung tür hinten rechts - fensterhebermotor hinten rechts 2pol.
X10 steckverbindung leitung fahrertur-fensterhebermotor fahrertur 2pol xii steckverbindung leitung beifahrertür-fensterhebermotor beifahrertur 2pol
Schaltplan 7:


A1 instrumentenkombination
B1 außentemperaturfühler (frontverkleidung unterteil)
B2 tachogeber
E1 gepäckraumleuchte
E2 heizbare heckscheibe
E3 glühkerze für standheizung
H1 signalhorn
H2 gong (links von lenksäule)
K1 relais für standheizung (an standheizung)
M1 motor zentralverriegelung fahrertür
M2 motor zentralverriegelung beifahrertür
M3 motor zentralverriegelung tankklappe
M4 motor zentralverriegelung h"*ckklappe
M5 motor zentralverriegelung tur hinten links
M6 motor zentralverriegelung tür hinten rechts
M7 brennstoffdosierpumpe
M8 motor heizgerät
N1 steuerelektronik zentralverriegelung
(schließblech a-säule)
N2 steuerelektronik diebstahlwarnanlage
(links von lenksäule)
N3 steuerelektronik bordcomputer (rechts
von instrumentenkombi)
N4 steuerelektronik standheizung (an standheizung
unter sitz rechts)
P1 meßgerät tauchrohrgeber
P2 digitaluhr
R1 vorwiderstand im heizgerat
51 zentralsicherung schalter (fahrertur, am schloß)
52 mikroschalter (beifahrertür, am schloß)
53 schalter für heizbare heckscheibe
54 türkontaktschalter vorne links
55 türkontaktschalter vorne rechts
56 turkontaktschalter hinten links
57 türkontaktschalter hinten rechts
58 heckklappenkontakt
59 frontklappenkontakt
510 zündanlaßschalter
511 uberhitzungsschalter (heizgerät-standheizung)
512 thermoschalter (standheizung)
513 schalter für bordcomputer-fernbedienung
V1 leuchtdiode für diebstahlwarnanlage
V2 diode
X1 steckverbindung teilstuck hmten-teilstück mitte
X2 anschluß sa-stecker
X3 anschluß steuergerat zentralverriegelung
X4 steckverbindung leitung fahrertür-teilstück hinten
X5 steckverbindung verbindungsleitung zentralverriegelung
- leitung fahrertür 13pol
x6 steckverbindung verbindungsleitung zentralverriegleung
- leitung beifahrertür
X7 steckverbindung verbindungsleitung zentralverriegelung-
tür hinten links 7pol.
X8 steckverbindung verbindungsleitung zentralvernegelung- tür hinten rechts 7pol.
X9 steckverbindung leitung für fahrertur-
zentralsicherungs-schalter
X10 anschluß motor zentralverriegelung-fahrertur 6pol
X11 steckverbindung leitung für beifahrertür-mikroschalter
X12 anschluß motor zentralverriegelung-beifahrertür
6pol
X13 anschluß motor zentralverriegelung-tankklappe
6 pol
X14 anschluß motor zentralverriegelung-heckklappe
6pol.
Xi5 anschluß motor zentralverriegelung-tur hinten
links 6pol
X16 anschluß motor zentralverriegelung-tur hinten
rechts 6pol
X17 steckverbindung für gepackraumleuchte
x18 anschluß diebstahlwarnanlage-steuerelektronik i
26pol.
X19 anschluß diebstahlwarnanlage-steuerelektronik ii
4pol
X20 anschluß relaisbox 4pol.
X21 steckverbindung i5u (im hauptkabelbaum)
X22 steckverbindung leitung für diebstahlwarnanlage-
verbindungsleitung zentralverriegelung
X23 steckverbindung leuchtdiode
X24 steckverbindung teilstuck mitte-leitung für
bordcomputer/diebstahlwarnanlage
X25 anschluß gong
X26 steckverbindung leitung für bordcomputer-
leitung für außentemperaturluhler
X27 steckverbindung leitung für außentemperaturfühler-
außentemperaturfuhler
X28 anschluß bordcomputer
X29 anschluß instrumentenkombi
X30 anschluß instrumentenkombi i
X31 steckverbindung bordcomputer-fernbedienung
X32 steckverbindung geschwindigkeitsabhangige lautstarkenregelung
X33 steckverbindung leitung für tempomat
X34 steckverbindung teilstuck hinten-lnstrumentenkombi
X35 steckverbindung teilstuck mitte-instrumentenkombi
X36 steckverbindung leitung bordcomputer-leitung
für zusatzheizung
X37 steckverbindung kabelbaum teilstück mitte-
kabelbaum für le-jetronik
X38 steckverbindung leitung für zusalzheizung-automatik-
antenne
X39 steckverbindung leitung für zusatzheizung-leitung
für heizgerat
X40 anschluß steuerelektronik
X41 anschluß heizgerat für zusatzheizung
X42 steckverbindung leitung für heizgerät-leitung für
kraftstoffpumpe
X43 steckverbindung leitung für digitaluhr-
instrumentenkombi
X44 steckverbindung leitung für digitaluhr-
digitaluhr 4pol
X45 steckverbindung leitung für digitaluhr-
digitaluhr 2pol
Starterzug (chokezug) einstellen
Vergaser solex 38 pdsi
Ein falsch eingestellter starterzug verursacht startprobleme
oder überhöhten kraftstoffverbrauch, da dann die starterklappe
(obere klappe im vergaser) nicht vollständig geöffnet
beziehungsweise geschlossen werden kann.
...
Abdeckrollo
Das Abdeckrollo herausziehen und in den Halterungen einhängen.
Keine schweren und harten Gegenstände
auf dem Abdeckrollo ablegen, sonst können diese z. B. schon bei Bremsund
Ausweichmanövern die Insassen gefährden. Das Abdeckrollo nich ...