BMW5er Reparaturanleitung :: Kraftstoffpumpe aus- und einbauen
einspritzmotoren

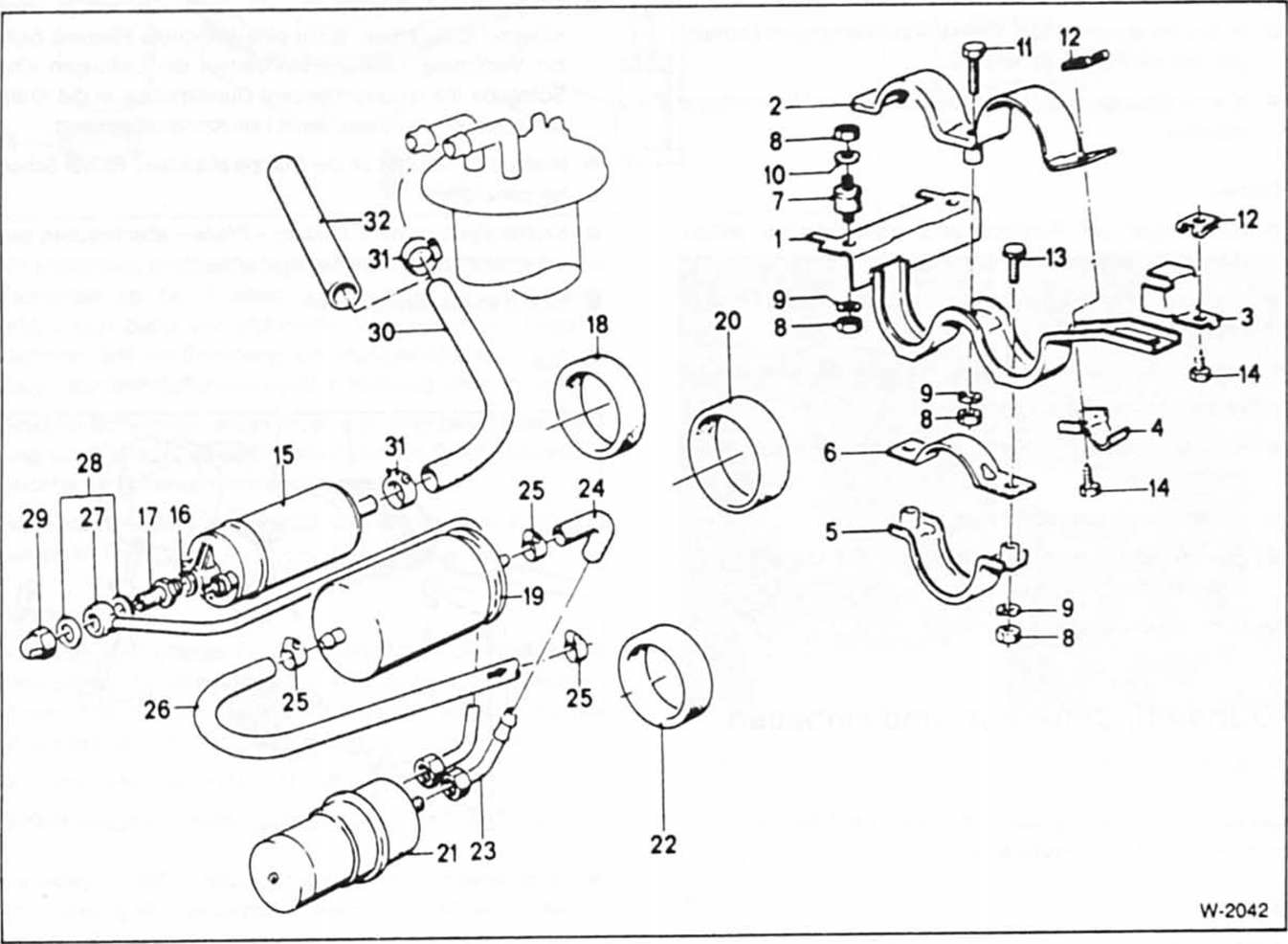
- Träger
- haltelasche
- sicherungsblech
- schelle
- halter
- halteblech
- gummilager
- sechskantmutter m 6
- federscheibe
- beilagscheibe
- sechskantschraube m 6
- blechmutter
- schraube
- blechschraube
- kraftstoffpumpe
- dichtring
- rückschlagventil
- gummilager
- kraftstoffilter
- gummilager
- kraftstohspeicher
- gummilager
- druckleitung
- schlauch
- schlauchschelle
- schlauch
- druckleitung
- dichtring
- hutmutter
- zuleitungsschlauch
- schlauchschelle
- schutzschlauch
Die kraftstoffpumpe befindet sich rechts am wagenunterboden
vor dem kraftstofftank. Achtung: bei montagearbeiten kein
offenes feuer, brandgefahr!
Ausbau
- Batterie-massekabel abklemmen.
- Elektrische leitungen von der pumpe abschrauben, vorher
schutzkappen zurückklappen.
- Schlauchschelle lösen und kraftstoffschlauch abziehen.
Damit kein kraftstoff ausläuft, schlauch vorher mit
quetschklemme abklemmen, oder nach dem abziehen
geeignete schraube in das schlauchende stecken. Eventuell
austretenden kraftstoff mit saugfähigem lappen auffangen.
- 3 Muttern abschrauben und halteblech abnehmen.
- Kraftstoffpumpe mit halter abnehmen.
- Hutmutter abschrauben. Kraftstoffdruckleitung mit dichtringen
von der pumpe abnehmen.
- Kraftstoffpumpe vom halter abschrauben und gummilager
abziehen.
Einbau
- Gummilager auf porosität oder beschädigung prüfen,
gegebenenfalls ersetzen.
- Kraftstoff-druckleitung mit hutmutter und neuen dichtringen
anschrauben.
- Kraftstoffpumpe am halter anschrauben und einsetzen.
- Halteblech mit 3 muttern anschrauben.
- Kraftstoffschlauch aufschieben und mit schraubschelle
sichern.
- Abklemmwerkzeug abnehmen.
- Elektrische leitungen anschrauben und gummikappen
über die anschlüsse stülpen.
- Batterie-massekabel anklemmen.
Siehe auch:
Gespeicherte Wunschgeschwindigkeit und Abstand abrufen
Während der Fahrt
Die Taste 4 drücken.
Die Anzeigen in der Instrumentenkombination erscheinen vollständig.
Im Stand
Vor dem Verlassen des Fahrzeugs bei
laufendem Motor Position P des Automatic-Getriebes einlegen und die Handbremse
anziehen. Sonst ...
Darstellung der Verkehrsinformation in der Kartenansicht
Die Zeichen der Verkehrsinformationen werden in der Kartenansicht bis zu einem
Maßstab von 200 km angezeigt. Navigationssystem Professional:
Bei einem Maßstab bis 10 km werden zusätzliche Informationen angezeigt. Länge,
Richtung und Auswirkung ...