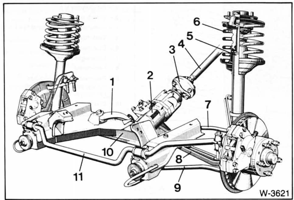
Die vorderachse des 5er bmw besteht aus dem vorderachsträger, den federbeinen sowie den querlenkern und längsstreben.
Der querlenker führt das federbein in querrichtung, die längsstreben führen es in fahrzeuglängsrichtung. Beim älteren 5er bis 7/81 ("e12") gehen die längsstreben vom radträger nach vorn und werden daher vonwiegend auf zug beansprucht (zugstreben), beim neueren modell gehen sie nach hinten (druckstreben). Ein querstabilisator verbindet beide radträger und sorgt für eine bessere bodenhaftung der vorderräder.
Die federbeine bestehen jeweils aus einer schraubenfeder und einem integrierten stoßdämpfer. Sie sind oben über stützlager mit der karosserie und unten mit dem radlagergehäuse verschraubt.
Alle lenker sind über gummilager elastisch mit dem vorderachsträger beziehungsweise fahrzeugunterboden verschraubt.
Achtung: werden teile der vorder- oder hinterachsaufhängung gelöst, die in gummi gelagert sind, dürfen diese erst wieder festgezogen werden, wenn das fahrzeug auf den rädern steht und folgendermaßen belastet ist (sogenannte "normallage"):
Vorderachse bis 6/81 ("e12")

Vorderachse seit 7/81 ("e28")

Funktionsstörung in den Fahrstabilitätsregelsystemen
Die Warnleuchte für Bremssystem leuchtet auf,
zusammen mit den Kontrollleuchten für ABS, DSC und Reifen Pannen Anzeige. Am
Control Display wird eine Meldung angezeigt. Die Fahrstabilitätsregelsysteme
sind ausgefallen. Die normale Bremswirku ...
Öffnen, Schließen
Schalter bis zum Druckpunkt nach hinten schieben. Das Glasdach und die Schiebeblende öffnen sich gemeinsam, solange Sie den Schalter in dieser Position halten.
Schalter über den Druckpunkt hinaus nach hinten tippen. Das Glasdach und die Schiebeblende &oum ...