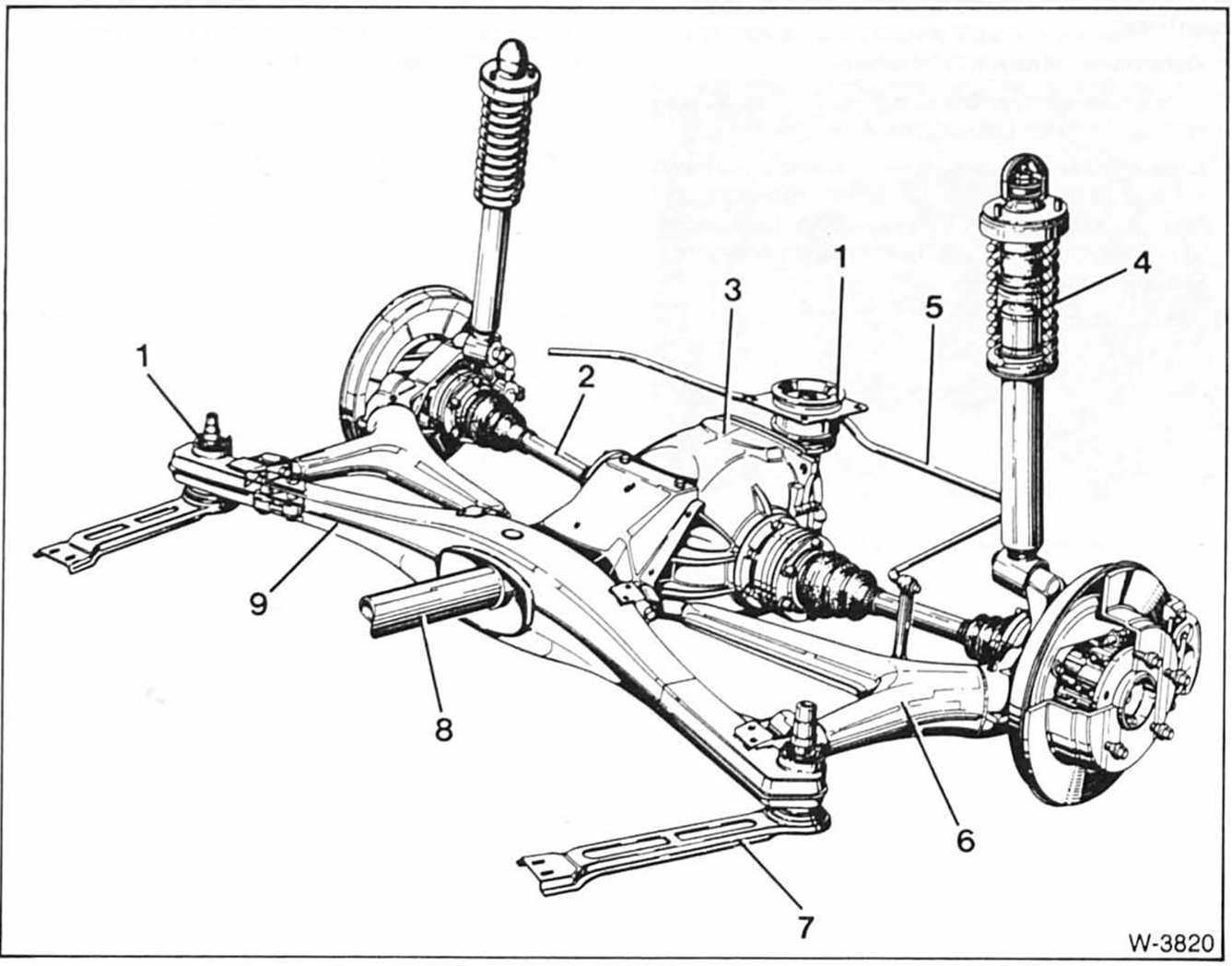
Der bmw besitzt eine schräglenker-hinterachse mit einzelradaufhängung.
Die abfederung erfolgt über 2 federbeine.
In der mitte der hinterachse befindet sich das hinterachsgetriebe.
Es ist am achsträger befestigt und über ein gummilager mit dem rahmenboden verbunden.
Die gelenkwelle ist mit der getriebeabtriebswelle und dem flansch des antriebskegelrades verbunden. Sie übertragt die motorkraft vom getriebe über das ausgleichgetriebe und die achswellen auf die hinterräder. Geführt werden die hinterräder durch schräglenker, die sich über wartungsfreie gummilager am hinterachsträger abstützen.

Nur unterbrecherkontaktgesteuerte zündanlagen
Zündanlagen mit unterbrecherkontakt sind in alle fahrzeuge
bis 7/81 (außer 518i seit 9/80 sowie 528 i) eingebaut.
Im laufe der zeit bilden sich an den unterbrecherkontaktflächen
abbrandstellen, die sich als kleine höcker und krater bemerkbar
m ...
Motorölwechsel/pflegedienst
Der pflegedienst ist alle7500 km. Beziehungsweise mindestens
einmal im jahr durchzuführen. Bei erschwerten
betriebsbedingungen, wie überwiegend stadt- und kurzstrekkenverkehr.
Häufigen gebirgsfahrten, anhängerbetrieb und
staubigen straßen ...