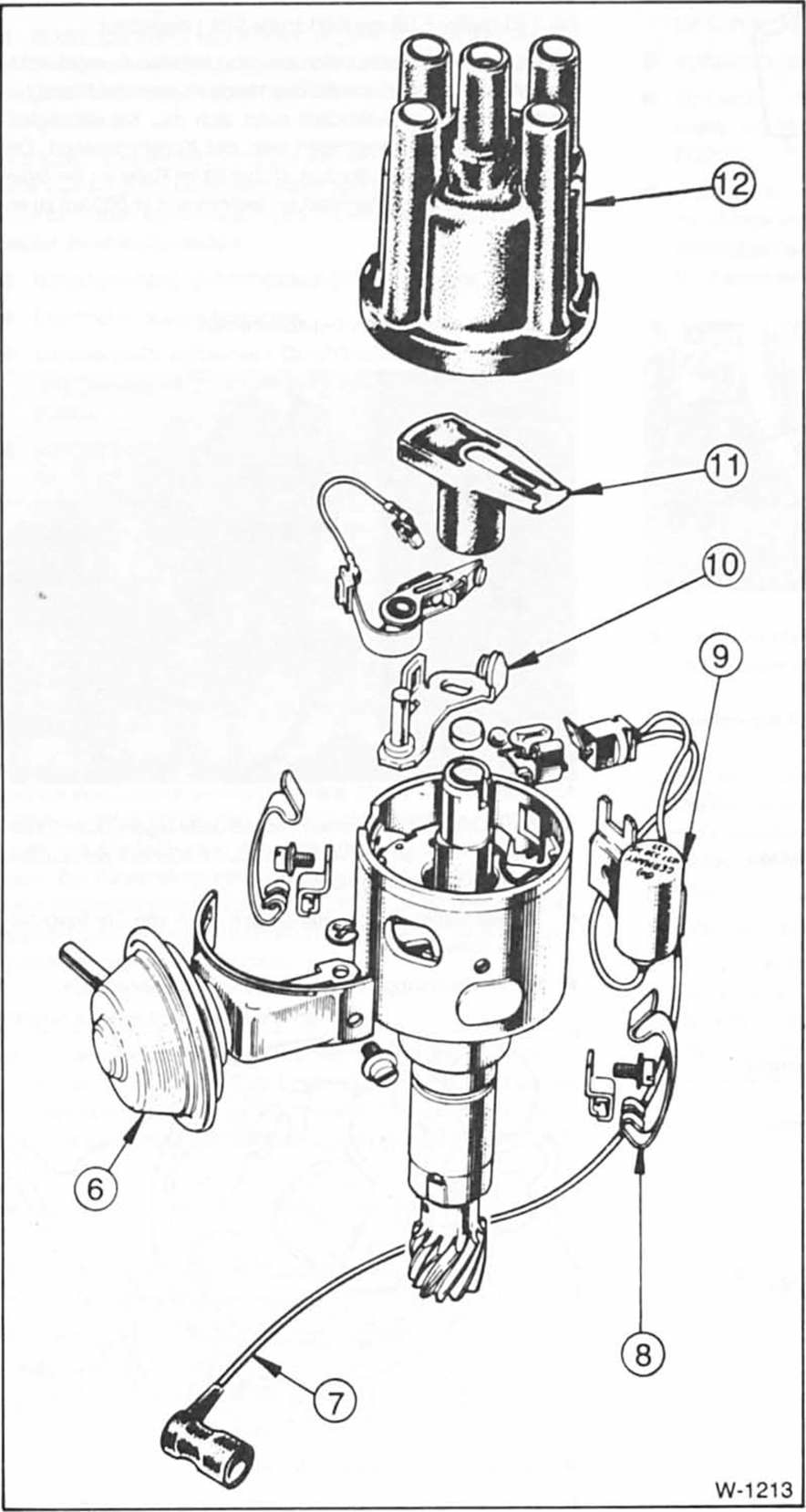
Unterbrechergesteuerte zündung ( modelle bis 7/81 außer 518 seit 9/80, 528i)

Tsz-zündverteiler (mit induktionsgeber)

Der abgasturbolader
Der dieselmotor des bmw 524 td ist mit einem turbolader ausgerüstet.
Beim turbolader sitzen auf einer welle zwei turbinenräder,
die in zwei voneinander getrennten gehäusen untergebracht
sind. Für den antrieb der turbinenräder sorgen die
oh ...
Kraftstoffpumpe /kraftstoffpumpenrelais prüfen
Dme (motronic), l-jetronic, k-jetronic
Der bmw mit benzineinspritzung besitzt eine elektrische kraftstoffpumpe.
Die am fahrzeugunterboden rechts vor dem kraftstofftank
sitzt. Über ein kraftstoffpumpenrelais, eine sicherung
(im sicherungskasten) und ein gr&uum ...