Dadurch kann das ausgewuchtete rad wieder an gleicher stelle montiert werden.

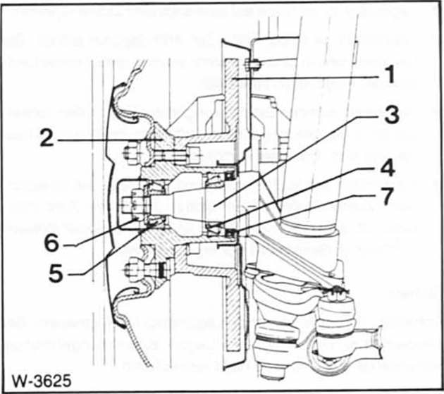
1 - Bremsscheibe, 2 - vorderradnabe. 3 - Achsschenkelzapfen, 4 - kegelrollenlager innen, 5 - kegelrollenlager außen, 6 - einstellmutter (kronenmutter), 7 - wellendichtring.
Achtung: rollenkäfige und außenlaufringe der radlager so ablegen, daß sie beim eventuellen wiedereinbau nicht verwechselt werden können.
Kronenmutter herausdrehen und mit unterlegscheibe abnehmen.
Dabei dorn kreisförmig an verschiedenen stellen des laufringes ansetzen, um ein verkanten zu verhindern. Achtung: der dorn muß aus weichem material bestehen und in einwandfreiem zustand sein, damit beim herausschlagen der laufring sowie der sitz nicht beschädigt werden
Steht der innenauszieher nicht zur verfügung. Laufring mit dorn kreisförmig herausschlagen. Achtung: dabei laufring nicht verkanten
Innenleuchte und gepäckraumleuchte
Metallbügel - pfeil- mit schraubendreher eindrücken und
innenleuchte an dieser seite herausziehen.
Das gepäckraumleuchtenglas der fahrzeuge bis 7/81 ist
angeschraubt, hier 2 schrauben lösen.
Soffittenlampe auswechseln. Gege ...
Geschwindigkeitsregelung
Wahlweise können Sie das System ab 30 km/h auch als Geschwindigkeitsregelung
nutzen. Das Fahrzeug speichert und hält dann die Geschwindigkeit,
die Sie mit dem Hebel an der Lenksäule vorgeben.
Beim Umschalten auf
Geschwindigkeitsregelung werden die ...