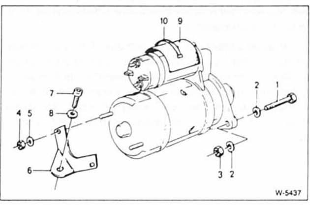
Der anlasser sitzt seitlich an der trennstelle motorblock/ getriebe und wird nach oben ausgebaut.
Ausbau
Achtung: batterie abklemmen, sonst kurzschlußgefahr.

Klemme 30 (dickes kabel, direkt vom batterie-pluspol) und klemme 50 (dünnes kabel, vom zündanlaßschalter) am anlasser abschrauben, beziehungsweise abziehen.

Es gibt zudem einen gebogenen spezialschlüssel zum ausbau des anlassers von hazet.
Einbau
Beim einbau unterlegscheiben der befestigungsschrauben nicht vergessen.
Vergaser überprüfen
Stromberg 175 cdet
An der stromberg-vergaseranlage sind ohne sonderwerkzeug
nur wenige uberprüfungsarbeiten möglich. Zur leerlauf-
grundeinstellung beispielsweise wird ein synchrontester mit
speziellem gestänge zum genauen einstellen des luftdurchsatz ...
Geschwindigkeitsregelung
Wahlweise können Sie das System ab 30 km/h auch als Geschwindigkeitsregelung
nutzen. Das Fahrzeug speichert und hält dann die Geschwindigkeit,
die Sie mit dem Hebel an der Lenksäule vorgeben.
Beim Umschalten auf
Geschwindigkeitsregelung werden die ...